Các sản phẩm
Gia công chính xác của Thụy Sĩ
  • Gia công chính xác của Thụy SĩGia công chính xác của Thụy Sĩ
  • Gia công chính xác của Thụy SĩGia công chính xác của Thụy Sĩ
  • Gia công chính xác của Thụy SĩGia công chính xác của Thụy Sĩ
  • Gia công chính xác của Thụy SĩGia công chính xác của Thụy Sĩ

Gia công chính xác của Thụy Sĩ

Sanluo Precision là nhà sản xuất và cung cấp hàng đầu về gia công chính xác của Thụy Sĩ tại Trung Quốc, với sự tích lũy kỹ thuật sâu sắc trong gia công đầu trượt kiểu Thụy Sĩ có độ chính xác cao, cung cấp cho khách hàng các dịch vụ gia công Thụy Sĩ ở cấp độ micron. Chúng tôi cung cấp các dịch vụ gia công Thụy Sĩ tùy chỉnh chuyên nghiệp cho ngành hàng không vũ trụ, cấy ghép y tế, dụng cụ quang học, điện tử cao cấp và các lĩnh vực khác, hỗ trợ tùy chỉnh các bộ phận phức tạp và khó khăn. Chúng tôi nhận thấy việc sản xuất các bộ phận nhỏ có độ chính xác cực cao, đáp ứng đầy đủ các yêu cầu nghiêm ngặt của ngành sản xuất cao cấp đối với gia công chính xác kiểu Thụy Sĩ.

Năng lực gia công chính xác

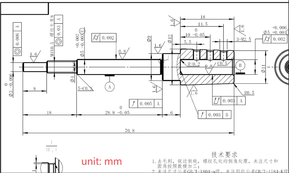
Nhà máy chế biến của chúng tôi đã đạt đến trình độ cao nhất trong ngành về khả năng kiểm soát độ chính xác trong gia công chính xác của Thụy Sĩ. Độ chính xác kích thước: dung sai đường kính ± 0,002mm, dung sai chiều dài ± 0,005mm, dung sai chiều cao bước ± 0,008mm, độ chính xác phù hợp cấp H6/h5. Độ chính xác hình học: độ tròn 0,003mm, độ trụ 0,005mm, độ đồng tâm 0,005mm, độ vuông góc 0,008mm, độ lệch 0,01mm. Chất lượng bề mặt: độ nhám bề mặt Ra0,2 ~ 0,8μm, đánh bóng chính xác Ra0,1μm hoặc hơn, gần như hoàn thiện bằng gương. Độ chính xác lặp lại: độ nhất quán kích thước xử lý hàng loạt ± 0,003mm, CPK ≥2,0, khả năng sáu sigma 6σ. Độ chính xác của thiết bị: độ chính xác quay trục chính 0,001mm, độ lệch ống lót dẫn hướng 0,002mm, độ chính xác định vị ± 0,001mm, định vị lặp lại ± 0,0005mm. Kiểm soát môi trường: xưởng có nhiệt độ không đổi với nhiệt độ 20 ± 0,5oC và độ ẩm 50 ± 3% để ngăn ngừa biến dạng nhiệt và đảm bảo độ chính xác.


Độ chính xác của trạm gia công Thụy Sĩ chính xác

Độ chính xác kích thước

OD

NHẬN DẠNG

T(C)

DP

DA

đơn vị:±/mm

0.002

0.002

0.005

0.002

0.0001

Độ chính xác hình học

Độ tròn

Độ đồng trục

Độ thẳng

hình trụ

hết vòng tròn

đơn vị:±/mm

0.002

0.003

0.002

0.003

0.002

Năng lực sản xuất

1~999999 chiếc

1~999999 chiếc

1~999999 chiếc

1~999999 chiếc

1~999999 chiếc

Chu kỳ sản xuất

3-20 ngày

3-20 ngày

3-20 ngày

3-20 ngày

3-20 ngày


Công nghệ thiết bị chính xác

Là nhà sản xuất chuyên nghiệp về gia công chính xác của Thụy Sĩ, Sanluo Precision có thiết bị tiên tiến. Hệ thống ống lót dẫn hướng: ống lót dẫn hướng có độ chính xác cao, dung sai lỗ bên trong ± 0,005mm, vật liệu cacbua vonfram, chống mài mòn tốt, tuổi thọ cao, đảm bảo độ chính xác gia công. Hệ thống trục chính: vòng bi thủy tĩnh hoặc vòng bi gốm, độ chính xác quay 0,001mm, vận hành tốc độ cao không rung, bù nhiệt độ, tự động bù độ giãn dài nhiệt của trục chính, độ chính xác ổn định. Hệ thống phát hiện: phát hiện trực tuyến đầu dò laser, độ chính xác đo ± 0,001mm, bù tự động, điều khiển vòng kín; bộ thiết lập công cụ laser, đo chính xác chiều dài công cụ, đảm bảo tính nhất quán. Chúng tôi cung cấp dịch vụ gia công Thụy Sĩ tùy chỉnh chuyên nghiệp cho khách hàng toàn cầu.


Thông số kỹ thuật thiết bị

Danh mục thông số

Chi tiết thông số

Mẫu thiết bị

MultiSwiss 6X16

Thương hiệu

Tornos

Định vị cốt lõi

Sản xuất hàng loạt hiệu quả các bộ phận nhỏ phức tạp

Số trục và trục chính

6 trục xoay + 1 trục quay sau tùy chọn

Công suất gia công

Đường kính gia công tối đa 16 mm

Hệ thống trục chính

Mỗi trục xoay điều khiển độc lập tốc độ, lập chỉ mục và định vị trục C; trục chính thấp hơn tùy chọn với tốc độ tối đa 6000 r/min

Hệ thống công cụ

Mỗi trạm có thể chứa tối đa 4 công cụ, tổng công suất lên tới 18

Hệ thống CNC

Phần mềm lập trình Tornos TBDECO hoặc TISIS ISO

Ưu điểm cốt lõi

Xử lý song song nhiều trục chính, hiệu quả sản xuất gấp nhiều lần so với máy tiện một trục; phiên bản trục Y tùy chọn

Ứng dụng điển hình

bộ phận gia công chính xác của Thụy Sĩ, vv


Danh mục thông số

Chi tiết thông số

Mẫu thiết bị

dòng SB

Định vị cốt lõi

Xử lý chi tiết nhỏ hiệu quả bằng nhiều trục chính

Số trục và trục chính

3 trục, 4 trục chính

Công suất gia công

Đường kính gia công 16 mm hoặc 20 mm

Hệ thống trục chính

Tốc độ trục chính 6.000 - 10.000 vòng/phút, công suất tiêu chuẩn 1 kW

Hệ thống tháp pháo

Cấu trúc đường ray dẫn hướng đuôi én nghiêng để cải thiện độ cứng của tháp pháo, 4 loại tháp pháo tùy chọn

Chức năng chính

Tiêu chuẩn trục chính được trang bị điều khiển trục C

Ưu điểm cốt lõi

Gia công đa dạng bằng cách thay đổi tổ hợp công cụ, phù hợp cho việc sản xuất hàng loạt các bộ phận nhỏ

Ứng dụng điển hình

bộ phận gia công chính xác của Thụy Sĩ, vv


Precision Swiss Machining

Precision Swiss MachiningPrecision Swiss Machining

Precision Swiss MachiningPrecision Swiss Machining


Thẻ nóng: Gia công chính xác Thụy Sĩ, Nhà sản xuất, Tùy chỉnh
Gửi yêu cầu
Thông tin liên lạc
Nếu có thắc mắc về sản phẩm hoặc bảng giá của chúng tôi, vui lòng để lại email của bạn cho chúng tôi và chúng tôi sẽ liên hệ trong vòng 24 giờ.
X
Chúng tôi sử dụng cookie để cung cấp cho bạn trải nghiệm duyệt web tốt hơn, phân tích lưu lượng truy cập trang web và cá nhân hóa nội dung. Bằng cách sử dụng trang web này, bạn đồng ý với việc chúng tôi sử dụng cookie. Chính sách bảo mật
Từ chối Chấp nhận